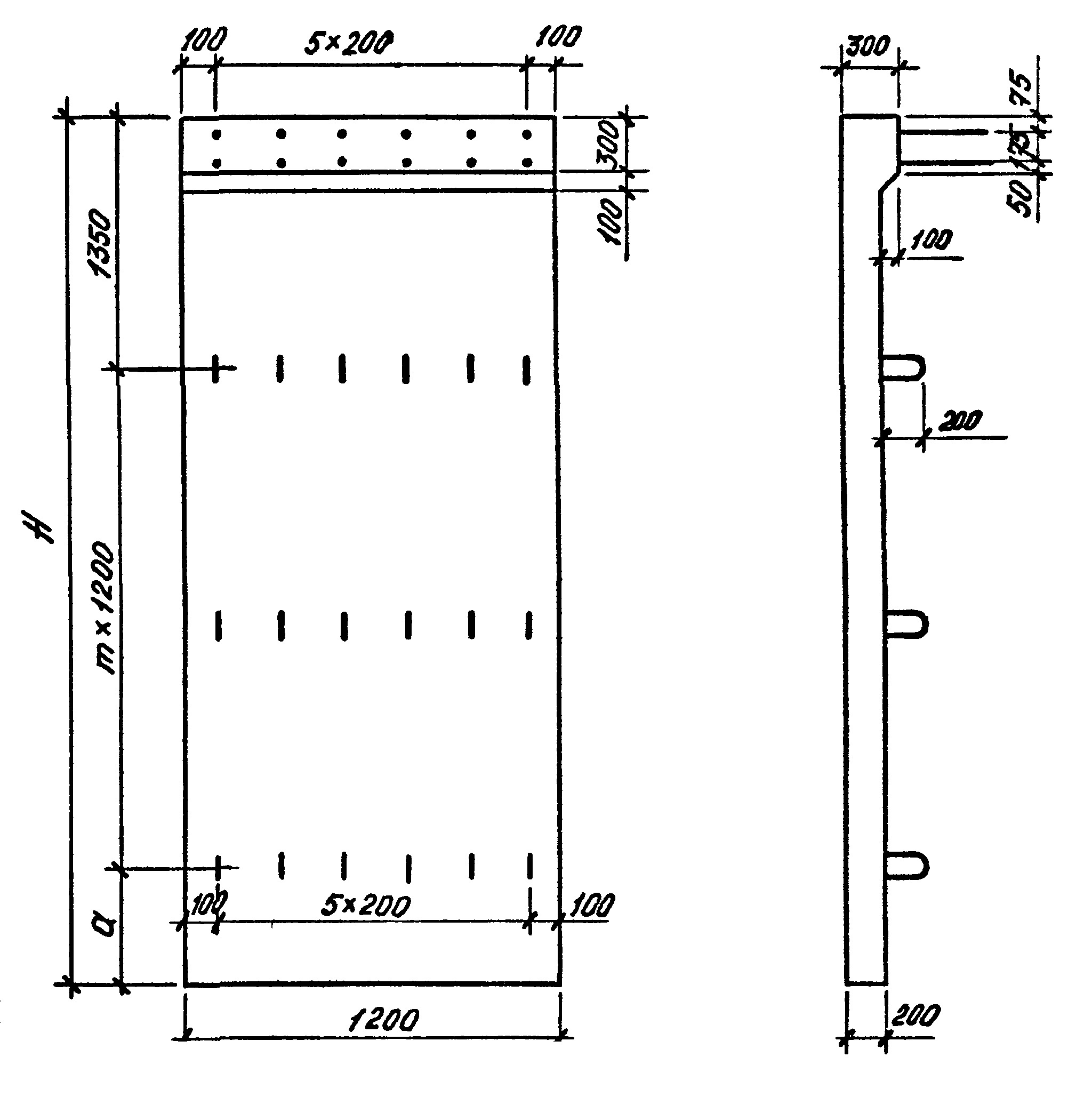
Плита фундаментная плоская ППФ 15-51 ТУ представляет собой железобетонное изделие, предназначенное для использования в строительстве фундаментов зданий и сооружений. Она имеет прочную и устойчивую конструкцию, способную выдерживать значительные нагрузки. Плита изготавливается из качественных материалов с соблюдением всех стандартов и технических условий.
Плита фундаментная плоская ППФ 15-51 ТУ широко используется в строительстве как основной элемент фундаментов различных зданий и сооружений. Она применяется для создания прочной и надежной опоры, обеспечивая устойчивость и долговечность конструкции. Этот тип плиты подходит для строительства как жилых, так и промышленных объектов, а также для возведения инженерных сооружений. Плита фундаментная плоская ППФ 15-51 ТУ обеспечивает надежное и долговечное основание для любого типа строения.









